Versione italiana o inglese della scheda 

 
3464GRV - FILTRO-RIDUTTORE-LUBRIFICATORE IN GRUPPO "VARIOBLOC" - Orig. Ewo3464GRV - FILTRO-RIDUTTORE-LUBRIFICATORE IN GRUPPO "VARIOBLOC" - Orig. Ewo

Salva foto in alta risoluzione

   

 Stampa la scheda
 Invia la scheda

 Apri la pagina del catalogo
 Vai ai prodotti di pag.

Prodotto precedente Prodotto precedente
Prodotto successivo Prodotto successivo

3464GRV  

Orig. Ewo

 

FILTRO-RIDUTTORE-LUBRIFICATORE IN GRUPPO "VARIOBLOC"

air treatment units

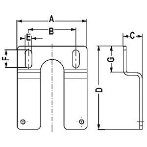
RICAMBI E ACCESSORI PER SISTEMA VARIOBLOC (escluso Art. 3463 GA-B)

Squadrette complete di viti, per fissaggio dei riduttori, filtri, lubrificatori e gruppi con presa sul corpo.

 Aggiungi al carrello  

NoteCod. Art.Cad.Cod. Prod.Tipo
Dimensione (A)
mm
Dimensione (B)
Dimensione (C)
mm
Dimensione (D)
mm
Dimensione (E)
mm
Dimensione (F)
mm
Dimensione (G)
mm
Peso ArtQTAMIN
3464GRV 1€ 04801503415715,516250,030
3464GRV 2€ 0480274502088719280,040
 

News